Punkt mocujacy WSC
Śruba calowa z uchem obrotowo-uchylnym. Wykonywana z gwintem UNC w zakresie: 5/16 ÷ 1" ;
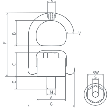
udźwig WLL odpowiednio w zakresie: 0,8t ÷ 7,2t. Pełne wymiary i typoszereg podane w tabeli.
Śruba calowa z uchem obrotowo-uchylnym. Wykonywana z gwintem UNC w zakresie: 5/16 ÷ 1" ;
udźwig WLL odpowiednio w zakresie: 0,8t ÷ 7,2t. Pełne wymiary i typoszereg podane w tabeli.
SC - Śruba calowa z uchem uchylno-obrotowym kl. 8
- lakierowana
- wykonana w klasie 8
- współczynnik bezpieczeństwa : 4:1
- cechowany : typ; WLL; klasa; nr partii; znak producenta; znak CE

|
| WSC 08 (5/16) | WSC 10 (3/8) | WSC 11 (7/16) | WSC 12 (1/2) | WSC 14 (9/16) | WSC 16 (5/8) | WSC 19 (3/4) | WSC 22 (7/8) | WSC 25 (1) |
|---|---|---|---|---|---|---|---|---|---|
| DOR [t] 90°/0° | 0,5 / 0,8 | 0,6 / 1 | 0,8 / 1,2 | 0,8 / 1,2 | 1,5 / 2,5 | 1,6 / 2,6 | 2,4 / 3,6 | 3,0 / 4,5 | 4,0 / 7,2 |
| Gwint | 5/16" - 18 | 3/8" - 16 | 7/16" | 1/2" - 13 | 9/16" | 5/8" - 11 | 3/4" - 10 | 7/8" - 9 | 1" - 8 |
| E [mm] | 12 | 15 | 20 | 20 | 20 | 23 | 30 | 36 | 37 |
| A [mm] | 33 | 33 | 33 | 33 | 50 | 50 | 65 | 65 | 65 |
| M [mm] | 8 | 9 | 11 | 12,5 | 14 | 16 | 19 | 22 | 25 |
| B [mm] | 35 | 35 | 35 | 35 | 55 | 55 | 66 | 66 | 66 |
| C [mm] | 30 | 30 | 30 | 30 | 46 | 46 | 58 | 59 | 59 |
| F [mm] | 85 | 85 | 85 | 85 | 130 | 130 | 160 | 163 | 163 |
| G [mm] | 27 | 56 | 56 | 56 | 85 | 85 | 109 | 109 | 109 |
| V [mm] | 10 | 11 | 11 | 11 | 15 | 15 | 18 | 18 | 19 |
| S [mm] | 6 | 6 | 6 | 6 | 8 | 8 | 10 | 10 | 10 |
| SW [mm] | 17 | 17 | 17 | 17 | 19 | 19 | 27 | 27 | 27 |
| K [mm] | 11 | 11 | 11 | 11 | 13 | 13 | 16 | 16 | 16 |
| Moment dokręcenia [Nm] | 15 | 15 | 15 | 15 | 30 | 30 | 80 | 90 | 110 |
| Masa [kg] | 0,3 | 0,3 | 0,3 | 0,3 | 1 | 1 | 2 | 2 | 2 |
MBL - minimalna siła zrywająca
Tabele z dopuszczalnymi obciążeniami roboczymi w różnych konfiguracjach.
|
|
| ![]() | ![]() | ![]() | ![]() | |
|---|---|---|---|---|---|---|
|
Kąt odchylenia |
0° |
90° |
0° |
90° |
0-45° | |
|
Ilość śrub |
1 |
1 |
2 |
2 |
2 | |
|
Typ |
Moment dokręcenia |
Dopuszczalne obciążenie robocze (t) |
||||
|
WSC 08 (5/16) |
15 |
0,8 |
0,5 | 1,6 | 1 | 0,7 |
|
WSC 10 (3/8) |
15 |
1 |
06 | 2 | 1,2 | 0,84 |
|
WSC 11 (7/16) |
15 |
1,2 |
0,8 | 2,4 | 1,6 | 1,12 |
|
WSC 12 (1/2) |
15 |
1,2 |
0,8 | 2,4 | 1,6 | 1,12 |
|
WSC 14 (9/16) |
30 |
2,5 |
1,5 | 5,0 | 3,0 | 1,8 |
|
WSC 16 (5/8) |
30 |
2,6 |
1,6 | 5,2 | 3,2 | 2,24 |
|
WSC 19 (3/4) |
80 |
3,6 |
2,4 | 7,2 | 4,8 | 3,36 |
|
WSC 22 (7/8) |
90 |
4,5 |
3 | 9 | 6 | 4,2 |
|
WSC 25 (1) |
110 |
7,2 |
4 | 14,4 | 8 | 5,6 |
|
| ![]() | ![]() | ![]() | ![]() | ![]() | |
|---|---|---|---|---|---|---|
|
Kąt odchylenia |
45-60° |
Asymetr. |
0-45° |
45-60° |
Asymetr. | |
|
Ilość śrub |
2 |
3 lub 4 |
3 lub 4 |
3 lub 4 |
3 lub 4 | |
|
Typ |
Moment dokręcenia |
Dopuszczalne obciążenie robocze (t) | ||||
|
WSC 08 (5/16) |
15 |
0,5 |
0,5 | 1,1 | 0,75 | 0,5 |
|
WSC 10 (3/8) |
15 |
0,6 |
0,6 | 1,3 | 0,9 | 0,6 |
|
WSC 11 (7/16) |
15 |
0,8 |
0,8 | 1,68 | 1,2 | 0,8 |
|
WSC 12 (1/2 |
15 |
0,8 |
0,8 | 1,68 | 1,2 | 0,8 |
|
WSC 14 (9/16) |
30 |
1,2 |
1,2 | 2,8 | 2,5 | 1,5 |
|
WSC 16 (5/8) |
30 |
1,6 |
1,6 | 3,36 | 2,4 | 1,6 |
|
WSC 19 (3/4) |
80 |
2,4 |
2,4 | 5 | 3,6 | 2,4 |
|
WSC 22 (7/8) | 90 |
3 |
3 | 6,3 | 4,5 | 3 |
|
WSC 25 (1) |
110 |
4 |
4 | 8,4 | 6 | 4 |
Uwaga : Element do którego będą zamontowane śruby, powinien być sprawdzony pod względem wytrzymałości na dane obciążenie.